News

Bode Analyzer Suite 3.52 released!

Download the new Bode Analyzer Suite 3.52 and benefit from:

• 10 mHz capability for the Bode 500
• New Gain Fitting tool
• Note fields for Memory traces

…and many improvements and bugfixes.

Image-243520

New Demoboard for Converter Stability Analysis

Our new DGN1DEMO-2 Buck Converter Stability Demoboard makes loop gain, PSRR, and transient behavior measurable and easy to understand – compact, configurable, and lab-ready.

Image-243510

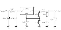
New Customer Application on Ensuring Stability of Linear Regulators

This white paper outlines how to measure and optimize the output impedance of an LM317 linear regulator. It explains how to select suitable output capacitance and ESR values for a stable impedance curve, and presents a circuit tweak using external resistors to further improve performance without affecting regulation.

Image-243385

New Application Note on Impedance Measurements of a Three-Phase Motor

Check out this application note to learn more about detailed methodologies for measuring the winding impedance of a three-phase motor. Additionally, it includes procedures for assessing the capacitance between the neutral point and the motor housing.

Image-243370

New Application Note on LC Low-Pass Filter Measurement and Simulation

This application note demonstrates how to accurately model and simulate an LC low-pass filter by measuring the impedance of its individual components. Using the Bode 500 and the Circuit Fit feature in the Bode Analyzer Suite, component characteristics are extracted and converted into SPICE models. The resulting simulated transfer function is then compared with real-world measurements to highlight…

Image-243336

New Application Note on DC-Link Capacitor ESR Measurement

Check out this new application note, which explains how to accurately measure the Equivalent Series Resistance (ESR) of DC-Link film capacitors using the Bode 100. These capacitors are critical in power electronics, such as inverters, where ESR significantly impacts performance. High ESR can lead to increased heat, power loss, and reduced filtering efficiency. The guide provides insights into the…

Image-243279

14th Power Analysis & Design Symposium - Recordings

Watch the 14th edition of our annual Power Analysis & Design Symposium:

  • Simulating Power Factor Correction Stages in Single- and Three-Phase Networks
  • Inductor Resonances and Electromagnetic Interference (EMI)
  • Imagine low ESL - Developing Film Capacitor with low Inductance using Bode 100,
  • Loop Gain Measurements in Power Electronics - from POL to PFC
  • Op-amps: Measurements and Modeling
  • Calibration,…
Image-243235

Bode Analyzer Suite 3.51 released!

Download the new Bode Analyzer Suite 3.51 and benefit from:

  • Improved connection to Bode 500
  • Improved compatibility on AMD Ryzen computers
  • Many improvements and bugfixes...
Image-243216

New Customer-Application on Inductance Measurement of Inductors under DC bias

Check out this new application note from our customer Vinod Chellat Markose that describes an inexpensive method for characterizing the drop in inductance of an inductor at any desired DC bias current using the Bode 100 vector network analyzer. 

Image-243159

Power Analysis & Design Symposium - Register now!

The 14th Power Analysis & Design Symposium will take place as a live, virtual event on Wednesday, April 9th, 2025.
Register now and experience a great day, packed with live lectures from international electronics experts focusing on power supply design.
Registration is free of charge!

Image-243147

New Application Note on Frequency Response of Optocouplers

This new application note explains how to measure an optocoupler's CTR (current transfer ratio) over frequency using the Bode 100 and Picotest products.

Image-243111

New Customer-Application on Saturation Characteristics of Common Mode Chokes

Check out this new application note from our customer Vinod Chellat Markose who explains an indirect method for measuring the drop in inductance of a CMC at any current using a Bode 100.

Image-243093

Bode Analyzer Suite 3.50 released!

Download the Bode Analyzer Suite 3.50 and benefit from the latest new features!

  • New automatic circuit fitting feature with SPICE netlist export
  • New PDF report with optional customer logo
  • Support of the new Bode 500 device via USB and Ethernet
  • Extended and improved SCPI support
  • Source-level can be changed by mouse-scrolling
  • Improved Expression trace & upgraded .NET framework to version 8
Image-243090

Bode 500 - Available for Order!

Our new Bode 500 VNA and FRA is now available for quotes and orders.
It is the most powerful analyzer from OMICRON Lab with the following main features:

  • Ultra-wide frequency range of 10 mHz* up to 450 MHz
  • Exceptional linearity
  • High dynamic range of > 120 dB
  • Advanced connectivity (Ethernet with PoE & USB-C with USB-PD)
  • Click "More" to get further information
Image-2879

13th Power Analysis & Design Symposium - Recordings

Watch the 13th edition of our annual Power Analysis & Design Symposium:

  • An Introduction to Power Supply Simulations with SIMPLIS
  • Using S-Parameters for the Design of EMC Filters
  • Designing Digital Control Loops and Firmware
  • A Power Supply Filter with On-board Voltage Socket for 12V 10A
  • PDN Impedance Measurements using the Bode 500 and Picotest PDN Probes
  • Power Supply Compensator Design…
Image-2866

13th Power Analysis & Design Symposium - Register now!

The 13th Power Analysis & Design Symposium will again take place as a live virtual event on April 17th, 2024.
Register now - attendance is free of charge.

Image-2835

Bode Analyzer Suite 3.25 SR2 released

Download the Bode Analyzer Suite 3.25 SR2 and be up to date!

  • Updated .NET framework to version 6
  • Overcome render issues with Intel Iris Xe graphics cards
Image-2722

Recordings of the 12th Power Analysis & Design Symposium

You can now watch the 12th edition on our YouTube channel and learn more about:

  • Control Methods of LLC Converter
  • Shielding Low Frequency Magnetic Fields
  • Digital Average Current Mode Control of Switch-Mode Power Supplies
  • Accurate Loop Gain Measurements, Tips & Tricks
  • How to use Off-the-Shelf Transformers in Switching Power Supplies
  • PSRR – Why measure it, the Measurement Errors and how to…
Image-2704

12th Power Analysis & Design Symposium - Register now!

The 12th Power Analysis & Design Symposium will again take place as a live virtual event on March 15th, 2023.
Register now - attendance is free of charge.

Image-2696

Picotest PDN Probes

We are now offering the new 1 Port & 2 Port 50 Ω Transmission Line PDN Probes from Picotest.
Check out the product page for more information.

 

Image-2686

New 100:1 passive probe for Bode 100 available!

Check out the new PHV 1000-O high voltage probe designed and manufactured by PMK in Germany.

 

Image-2642

New Customer-Application on Operational Amplifier Measurements Available

Check out this new application note from our customer Jan Petrik who worked on stability simulations for operational amplifiers using Spice.

 

Image-2554

Bode Analyzer Suite 3.25 SR1 released

Download the Bode Analyzer Suite 3.25 SR1 and benefit from several improvements and fixes!

  • Improved loading of old .bode files (from 2013 or older)
  • Firmware stability during programming of Bode 100 device improved
  • Improved installer (user-right handling and framework version handling)

 

Image-2540

Recordings of the Power Analysis & Design Symposium

You can now watch the 11th edition on our YouTube channel and learn more about:

  • The Danger of Underdamped Filters
  • Comparing EMI Simulation with Measurement
  • Automated PCB Parasitics Extraction from EDA Tools
  • Step-by-step Snubber and Clamp Design
  • Practical System Modelling using Plant Measurements
  • The Simple Truth about Complex Impedance Probes
  • Impedance in DC-Microgrids
Image-2524

Join the 11th Power Analysis & Design Symposium

We are happy to invite you to the 11th edition of the Power Analysis & Design Symposium on March 9th, 2022 as a live virtual event.

Join in from all over the world and learn from the experts. The registration is open and free of charge.

Image-2518

Bode Analyzer Suite 3.25 released

Use the new and powerful Expression trace of BAS 3.25 to:

  • Manipulate measurement data using mathematical expressions
  • Plot transfer functions to compare theoretical values with real-life measurements

In addition, BAS 3.25 brings several important bugfixes. Download it now and enjoy the power of BAS 3.25!

Image-2493

New accessory for the Bode 100 available!

We now offer a high-quality stainless-steel rack mount kit for the Bode 100. Check it out...

Image-2457

Register for the Live Webinar on Dielectric Spectroscopy

On Wednesday, June 30th, 2021 we are offering a live, interactive webinar on Dielectric Spectroscopy.

The webinar is being offered at no charge - Register now!

Image-2459

Recordings & Presentations available

Did you miss the 10th Power Analysis & Design Symposium or simply want to watch it again? For your convenience we have made the recordings & presentations available on the event page.

Image-2403

Bode Analyzer Suite 3.24 released

BAS 3.24 brings several new features and makes working with the Bode 100 even better!
Check out more and download it now!

Image-2374

Register for the 10th Power Analysis & Design Symposium

The 10th Power Analysis & Design Symposium takes place on
March 10th, 2021 as a virtual event.
Take this chance to join us from anywhere and experience a great day, packed with live lectures from international electronics experts.

Image-2354

Dielectric Material Database available!

In the dielectric material database you will find important dielectric parameters of various materials. The dielectric constants (εr’, εr’’) and losses (tanδ) are displayed over a wide frequency range from mHz to kHz.

Image-2317

DSH 100 Dielectric Sample Holder - now available

Our new DSH 100 sample holder for the analysis of solid insulation materials is now available.
The DSH 100 test cell is an accessory for our dielectric material analyzer SPECTANO 100, but can also be used with other LCR meters or analyzers like the Bode 100.
Check it out and learn more about dielectric material analysis

Image-2470

Impedance Measurement Methods using the Bode 100 - New Application Note available

Bode 100 is a great impedance analyzer working from 1 Hz to 50 MHz. Have a look at this application note to learn more about the impedance measurement possibilities of the Bode 100.

Image-2290

Automated Measurements using multiple Bode 100 devices - New Application Note available

Bode 100 is a powerful analyzer that can be easily automated via the Automation Interface. Learn more about the special considerations that need to be taken when using multiple devices by reading our new application note.

Image-2183

Controlling Bode 100 Via Ethernet - New Application Note available

Sometimes a network connection (Ethernet) offers an advantage over a direct USB connection. This is possible using a USB device server. Read the full application note!

Image-2182

SPECTANO Analyzer Suite 1.60 released

SAS 1.60 now allows you to select the DSH 100 as a pre-configured test cell setting. Benefit from an improved graph view and measure in accordance with the latest IEC standards. Download it now!

Image-2165

Output Impedance for Stability Analysis – New Application Note available

In this application note we show the relation between the phase margin and the output impedance. Check it out and learn how an output impedance measurement can help you when analysing a power supply.

Image-2154

New OTMC 100p and TICRO 100 Firmware available

The OTMC 100p PTP Grandmaster Clock and the TICRO 100 PTP Time Converter now support all common PTP-Profiles for the Power Industries. 
Check out all new features!

Image-2091

Dielectric Parameters of a Coaxial Cable - NEW Application Note available

This application note shows how to measure the dielectric properties of the insulator in a coaxially constructed cable using SPECTANO 100.

Image-2056

Join our free Live-Webinars!

Learn more about the use of our frequency response analysis instruments (Bode 100 + SPECTANO 100) in power electronics engineering and follow our Live Webinars from April 28th to May 7th.

Image-2002

Bode Analyzer Suite 3.23 released

BAS 3.23 brings several bug-fixes to your BAS 3.22.
Check out more and download it now!

Image-1971

9th Power Analysis & Design Symposium

The 9th Power Analysis & Design Symposium takes place on
March 5th, 2020 in Eching (near Munich).
With lectures, practical examples and demonstrations by international experts.

Image-1917

Bode Analyzer Suite 3.22 released!

BAS 3.22 brings more measurement power!
You can e.g. use more than two cursors and let them automatically track a minimum, maximum or zero crossing. Port extension allows you to mathematically shift the reference plane along a transmission line.

Check out more and download it now!

Image-1919

DC Biased Inductor Measurements - NEW Application Note available

This application note shows how the Bode 100 can be used to measure the electrical behaviour of inductors over frequency with DC bias applied.

Image-1828

Our newest Extreme Measuring adventure - Video available!

In this deadly serious video we measure the impedance of blasted steaks. See how the steak impedance changes after undergoing an underwater detonation. Check out the video!

EMC Filter Design Lectures by Dr. Ali Shirsavar

Check out the new video series on EMC filter design from the noise source to the selection of the filter components.

    8th Power Analysis & Design Symposium

    The 8th Power Analysis & Design Symposium takes place on
    April 4th, 2019 in Eching (near Munich).
    Register now for a day packed with lectures, practical examples and demonstrations by international experts.

    Image-1591

    Picotest released new Injector for high power PSRR testing

    Complementing their popular J2120A low power line injector, the new J2121A is much higher power and supports PSRR, DC biased inductor measurement, DC-DC converter input impedance testing, as well as other EMI tests. The J2121A is especially suited to high power applications including military and satellite bus voltages up to 400V/20A with a bandwidth up to 1MHz and works well with the Bode 100.

    Image-1600

    Bode Analyzer Suite 3.20 released!

    BAS 3.20 further improves your Bode 100 user experience!
    You can switch between a light and a dark theme and you can add more traces if you want. Furthermore you can automatically calculate stability margins and use the Nichols diagram for your control system analysis.

    Download it now to upgrade for free!

    Image-1560

    Bode 100 checked out on EEVblog

    Finally, we did it. We did send a Bode 100 to Dave at EEVblog. To find out what Dave says about the Bode 100, check out the review video!

    New Extreme Measuring adventures - Check out the videos!

    For our newest adventure, we took our Bode 100 and the OTMC 100 Grandmaster Clock to the Greek island Rhodes.

    New SPECTANO Analyzer Suite V1.50 released

    SAS 1.50 brings new features and improvements. You can use the Automation Interface (API) to easily integrate the SPECTANO 100 into automated setups or customized analysis tools. Use programming languages such as MATLAB, LabVIEW, C# or Excel to access the SPECTANO 100. In addition, the SAS 1.50 features a customized sweep list and provides new result parameters such as the specific conductivity…

    Image-1487

    Visit us at the PCIM Europe in Nuremberg

    We will be at PCIM 2018 - reserve the date: June 5-7, 2018
    Let's meet and measure! We will be happy to serve you at our booth.

    Image-1456

    New Bode 100 video tutorials

    With the release of the Bode Analyzer Suite 3 many new functions have been added. For sure all these functions are described in the manual. But let's be honest - who reads manuals?

      Our newest Extreme Measuring adventure - Check out the video!

      Check out how we measure the electromagnetic coupling of two avalanche transceivers using the Bode 100. Certainly this must be done in a proper environment. Therefore we went to the Austrian alps! Certainly we did choose a safe place without any avalanche risk that could endanger our Bode 100 or us...

      New Application Notes for SPECTANO 100 available

      In this documents we show how to measure the dielectric response of solid and liquid insulation materials using the SPECTANO 100 and common test cells on the market. Further on, you can learn how to determine the conductivity and resistivity of insulation liquids of which considerations should be made of the analysis of solid insulation materials.

      Image-691

      7th Power Analysis & Design Symposium on April 26th in Eching

      Register now for a day packed with lectures, practical examples and demonstrations by international experts.

      Image-814

      Bode Analyzer Suite 3.12 released

      BAS 3.12 brings new features and improvements. You can use averaging to reduce noise in your measurements. In addition BAS 3.12 features a Smith-Chart for fixed-frequency measurements. Download now!

      Image-10

      New Application Notes for SPECTANO 100 available

      We made two new application notes for the SPECTANO 100 available.

      Image-8

      New Application Note: Input Impedance Measurement for Filter Stability

      In this application note, we are reviewing the theory behind the input filter stability problem. Why the input filter of a DC/DC converter can cause converter instability and how the negatige input impedance of the converter contributes to this.

      Our newest Extreme Measuring adventure - Check out the video!

      This time we took our Bode 100 vector network analyzer to a sail boat (IMX 38) on Lake Constance. By connecting a self-made ultra-sonic wind sensor we attempt to measure the wind-speed. Check out if we did succeed...

      Watch the video!

      New paper available: A practical guide to characterization of piezoceramic components and materials using Bode 100

      In this guide Dr. Tomasz Zawada from TOOsonix explains the most important parameters of piezoceramic components and how to measure them using the Bode 100.

      Read the full paper!

      New accessories for the Bode 100 released

      Get the most out of your Bode 100 - check out our new accessories:

        New Bode Analyzer Suite 3.11

        Get the new Bode Analyzer Suite 3.11

        We have further improved BAS 3 and added new features.

        New Application Note: Power Line Impedance Measurement

        In this application note, we show how the Bode 100 can be used to measure the high-frequency impedance of equipment designed to be powered by mains voltage.

        Click here to read the full application note.

        New video: Shunt-Thru measurements with the Picotest P2101A 2-Port Probe and Bode 100

        In this video Steve Sandler is demonstrating how the new Bode Analyzer Suite 3.0 can be used to measure impedances in the milliohm range. Steve shows how to calibrate the measurement and how to measure component impedances as well as the output impedance of linear regulators or switched mode power supplies.

        Click here to watch the video

        New Bode Analyzer Suite 3.0 available

        Check out the all-new Bode Analyzer Suite 3.0

        It comes with many new features and enables the Bode 100 to measure up to 50 MHz.

        New Application Note: High Impedance Measurements

        This application note shows how to extend the impedance measurement range of the Bode 100 with a high impedance bridge.

        Loop Gain Measurement - Information note updated

        The following Bode 100 information note has been updated:

        Loop Gain Measurement
        The Voltage Injection Method using the Bode 100 and the B-WIT 100

        6th Power Analysis & Design Symposium

        The 6th Power Analysis & Design Symposium took place on April 26th, 2017 in Eching (near Munich), Germany.

        New video tutorials about the SPECTANO 100 available

        Learn more about the SPECTANO 100 and why it is so important to analyze insulation materials over a wide frequency range.

        Click here to watch the videos

        New Ways to VRM Modelling - workshop with Steve Sandler

        Achieve reliable system performance - Speed up design cycles - Reduce cost
        An Exclusive 1-day Simulation and Design Workshop with Steve Sandler took place on November 3rd, 2016 in Munich, Germany.
         

        New and updated Application Notes for the Bode 100

        We have updated our Application Note about RFI Power Inlet Filter Measurement with Bode 100 and made some new ones available.

          New OTMC 100 Firmware available

          With the release of the Firmware V1.11 we have added the power utility profile in accordance to IEC/IEEE 61850-9-3:2016. This profile is now available in parallel to the classic power profile IEEE C37.238-2011 for our PTP Grandmaster clock OTMC 100p. To find out more about the changes and improvements of our new Firmware check out the version history.

          New paper about Time Synchronization in Energy Distribution Networks

          This paper shows, how to retrofit an already operational energy distribution network using the Precision Time Protocol (PTP) in accordance to IEEE 1588. 
          OMICRON Lab and OMICRON supported the complete retrofit project from the initial planning stage to final activation stage of the time synchronization network. 

          New paper about IEC 61850-9-3

          Based on the current implementation situation and the findings from the IEC 61850 interoperability plugfest 2015, this paper explores the differences and commonalities of the two PTP profiles for power applications and their interoperability.

          New issue of Extreme Measuring available

          In this issue we use the Bode 100 to measure the load on a climbing rope during rappelling / abseiling into a 35 m vertical cave, the Kessiloch. Learn how to measure force with the Bode 100 and how to NOT build a load cell. :-)

          New and updated Application Notes

          RFID Resonance Frequency an Tranformer Modelling

          New Dielectric Material Analyzer SPECTANO 100 available!

          Get our newest product to measure the dielectric properties, quality and conditions of solid or liquid insulating materials in the frequency (FDS) and time domain (PDC).

          Click here to read more about the SPECTANO 100

          New article about the Analysis of RFID Transponders

          This bachelor thesis - written by Martin Bitschnau, Student of the University for Applied Science Vorarlberg - focuses on the contactless resonance frequency and q-factor measurement of inductively coupled RFID transponders.

          PCIM Europe, Nuremberg

          Also in 2016 you could find OMICRON Lab as exhibitor at the PCIM Europe in Nuremberg, which took place on May 10th to 12th.
          On our booth we showed several live measurements and demonstrated the applications of the Bode 100. Once again we could also welcome Dr. Ali Shirsavar as co-exhibitor on our booth, who presented the latest version of WDS.

          5th Power Analysis & Design Symposium

          The 5th Power Analysis & Design Symposium took place on the 21st April, 2016 in Eching (Germany).

          For the second time we organized an Open-Lab event on the evening prior the symposium. During this event, participants could use our measurement equipment live and bring their own designs to be tested.
           

          Carry on measuring!

          Do you need better protection for your Bode 100 during travelling or storage?

          Find out more about our new carrying case.

          New research report on the Application of the OTMC 100i online

          In this report Professor Tamás Kovácsházy explains how the OTMC 100i is used in various PTP related research projects at the University of Budapest.

          Webinar 2015 - Recordings

          Due to the great success in 2013 + 2014, we decided to extend our webinars in 2015 and held our first Webinar Week.

          View our past webinars!

          Updated App Note for Non-Invasive Stability Measurement

          We have updated the Non-Invasive Stability Measurement application note and have performed the measurements on the new VRTS 2 board from Picotest. Check out the application note that compares the traditional loop gain measurement method to the NISM measurement based on output impedance.

          New App Note online: Audio Systems Measurements

          This new app note actually consists of two application notes. In the first, we show how the Bode 100 can be used to measure the frequency dependent characteristics of audio amplifiers. In the second application note we show how to measure the impedance of loudspeakers as well as the voltage transfer function of audio crossovers.

          PCIM Europe, Nuremberg

          Once again you could find OMICRON Lab as exhibitor at the PCIM Europe in Nuremberg from May 19th to 21st, 2015. Our booth was full of interesting live measurements, where we did demonstrate the Bode 100 and it's applications.
          Also this year we were allowed to welcome Dr. Ali Shirsavar from Biricha Digital as co-exhibitor on our booth, where he presented the newest version of WDS.

          4th Power Analysis & Design Symposium 2015

          The 4th Symposium took place on May 6th, 2015 in Eching near Munich (Germany). In 2015 we did organize the first time an Open-Lab event where participants could use our measurement equipment live and even bring their own designs to be tested.

          PTP capable switch is now available as standard product

          By adding the PTP compliant switch RSP20 from Hirschmann to our product portfolio, we are now offering a complete end-to-end IEEE 1588 solution for industrial applications.

          Webinar 2014 - Recordings

          In 2013 we held our first webinar series ever, which was a huge success. Therefore we decided to continue with our webinar series in 2014.

          The next Webinar will be held in 2015 - for more information and to view our past webinars, simply CLICK HERE

          Bode Analyzer Suite 2.43 is ready for download!

          The new version 2.43 features the improved phase margin calculation from Steve Sandler (Picotest). Furthermore the BAS V2.43 improves the Source On/Off handling in the automation interface, creates a local logfile that can help us during support, and comes with several improvements and some bugfixes.

           

          Updated Appnote: Contactless RFID Tag Measurements

          We have included the contactless Q-factor measurement in our RFID application note! See how to measure resonance frequency and Q-factor of a 13.56 MHz RFID Tag using the Bode 100! 

          New Bode Analyzer Suite V2.42 ready for download!

          The new Bode Analyzer Suite 2.42 offers you great new features for your daily work!

          • Never ever click "optimize" again! Activate the "auto optimize" feature instead by right clicking into the diagram
          • You need to measure loop gain of voltage regulators and use the shaped level feature of the Bode 100? Well then you will love our new graphical interface to shape the output level. Open the shaped…

          New Video Tutorial online: Contactless RFID Resonance Frequency Measurement

          See how the Bode 100 is used to measure the self-resonance frequency of a 13.56 MHz RFID tag! Check out our new video tutorial.

          New Video Tutorial online: S-parameter/Transfer function

          In this video we explain the difference between a VNA (Vector Network Analyzer) and a FRA (Frequency Response Analyzer). On a high pass filter we show the different setups and the results from the measurements. Watch it!

          New Bode Analyzer Suite V2.41 is now available!

          The new BAS V2.41 offers many new features which make your work with the Bode 100 even more efficient!

          The new features enable you to:

          • Add an annotation with pointing arrow to the curve
          • Add, multiply or subtract memory and data
          • Work with more than one memory trace
          • Always be informed when a new version of the BAS is released

          Want to know more? Download the new version and have a look at…

          New Video Tutorial online: PFC Loop Gain Measurement with the Bode 100

          Measuring Power Factor Correctors is usually not a trivial task. By watching our new video tutorial you will learn how easily the PFC stability can be determined by measuring the phase margin and gain margin using the Bode 100 and the B-WIT 100.

          New Bode Analyzer Suite V2.40 ready for download

          With the new Bode Analyzer Suite we have implemented a bunch of new features and functionalities that will make it even easier for you to work with your Bode 100. Interested in some details? Here are some examples:

          • We have drastically reduced the “boot” time of the Bode 100. Your Bode 100 is now ready for you within a few seconds
          • You can now start multiple instances of the Bode Analyzer Suite…

          Brand-new OTMC 100 - PTP Grandmaster Clock series now available

          With the new OTMC 100, OMICRON Lab offers an antenna-integrated PTP Grandmaster Clock, which is a simple and effective solution to time-synchronize measurement equipment, computers or telecommunication devices in Ethernet based networks. The OTMC 100’s unique design combines an active GPS antenna, the GPS receiver and the Grandmaster Clock itself in one compact weatherproof housing. Further on, it…

          New Tutorial Video online: Capacitor Voltage Sensitivity

          You need to design an output filter of a power supply? You use ceramic capacitors? Then you should have a look at the following video showing how sensitive ceramic capacitors can react to DC voltage.

          New Tutorial Video online: Capacitor ESR Measurement with the Bode 100

          Instable power supplies? The ESR of your output capacitor might be the reason. In our new application video we show how the ESR of a capacitor is measured over frequency using OMICRON Lab's vector network analyzer Bode 100 and the impedance adapter B-WIC/B-SMC. Watch our new video tutorial!

          Bode Analyzer Suite V2.33 includes Nyquist diagram

          A new Version of the Bode Analyzer Suite is available for download. The new BAS includes the following changes:

          • Cursor positions stored in .bode file
          • Nyquist diagram added
          • New Cursor functions added
          • Migration to .net Framework 4.0
          • Minor bug fixes

          New article about peak current mode control available!

          In his application note Dr. Ali Shirsavar investigates the implementation of peak current mode control with slope compensation on a single chip Piccolo A from Texas Instruments. If you are interested, check out our webpage.

          New Tutorial Video online: Zooming Functions

          You do not exactly know at which frequency your measurement looks most interesting? No problem, use the zoom and copy from zoom functions of the Bode Analyzer Suite!
          In addition we show how to set the cursor to the maximum and minimum value of a curve. Watch our new video tutorial!

          ESR Requirements for Stable Regulators

          New Article available on our webpage:
          Mr. Steven Sandler describes in his new article how the output capacitor ESR need of a voltage regulator to reach a desired phase margin can be determined by one simple output impedance measurement. If you are interested, feel free to download the article. Please note that this article is also available in German language.

          Measure the AC impedance of a PV module!

          In our new application note we show how the Bode 100 can be used to measure the impedance of solar cells under dark conditions. The Bode 100 is used in conjunction with the Picotest J2130A DC-Bias Injector to apply a DC voltage to the PV module which simulates the operation point instead of exposing the module to light. If you are interested, feel free to download the application note.

          Two new articles on our webpage!

          What do Eddy Currents and Skin Effects have in common? Well, both can easily be measured using the Bode 100.
          Have a look at our new articles on Eddy Current Testing and how to measure Skin Effects.

          New Tutorial Video online: Stability Analysis of Power Supplies

          Assess the stability of voltage regulators using the Bode 100 and the B-WIT 100. We demonstrate how to measure the phase margin of an LM317 voltage regulator. Watch our new video tutorial!

          Low Value Impedance Measurements

          The impedance values of current sensing resistors are generally in the range of several milliohms.
          Measuring such low impedance values at high frequencies is a challenging task. In our new application note we did measure a 20 milliohm SMD resistor and a 20 milliohm 4-wire current sense resistor. 

          The first video tutorial is now online

          OMICRON Lab has started a new series of online learning tutorials. These short videos contain information about features of the Bode Analyzer Suite and show applications of the Bode 100. Users or people interested in our products now have the chance to inform themselves about the handling and the capabilities of our Smart Measurement Solutions. In our first video we demonstrate the data and memory…

          Broadcast and Ham Radio Antenna Evaluation

          The Bode 100 offers several functions that are useful to evaluate antenna characteristics. All reflection parameters can be displayed in linear, logarithmic, polar or Smith-diagrams. In our new application note we did measure a 1026 MHz medium wave and two Ham-radio antennas. Furthermore this application note contains information about the use of the Bode 100 in conjunction with an external…

          Battery Impedance Measurement

          Battery impedance includes information about the internal state of a battery. The Bode 100 in conjunction with the Picotest J2111A Current Injector offers a test set for measuring the impedance spectrum of a battery in the range from 1 Hz to 10 MHz. Check out our new application note!

          Bode Analyzer Suite V2.32 introduces new commenting feature

          The new Bode Analyzer Suite V2.32 now allows to store comments together with a performed measurement. The comments can be easily entered in a separate area below the measurement. Entered comments are stored together with the measurement results in the *.bode file.  When measurements are printed or copy  to the clipboard the comment is printed or copied as well. For more function on this new…

          Voltage Regulator Crosstalk

          Crosstalk can cause serious problems in power supply systems with multiple regulators. The Bode 100 and the Picotest J2111A Current Injector form the perfect test set to measure crosstalk in the full frequency range from 1 Hz to 40 MHz. Have a look at our new AppNote on Crosstalk measurements. 

          Radio Transmission Analysis

          In our new AppNote we used the Bode 100 to perform impedance matching of a 27MHz antenna coil. Furthermore we did analyze a transmission link between two matched antenna coils.
          If you are interested have a look at our new Application Note.

          DC Biased Impedance Measurements

          The DC operation point can have a strong influence on the impedance of a device. Using the Bode 100 in conjunction with the J2130A Picotest Injector you can measure impedance with a DC offset up to 50 volts. Check out our new Application Note.

          Printed Circuit Coil Measurement

          The Bode 100 offers great possibilities to determine equivalent circuit parameters. Measuring complex impedances and resonance frequencies enables the calculation of many parameters. A customer did measure printed circuit coils using the Bode 100. In addition a matching network was designed using the Smith Chart. If you are interested, click here.

          Get familiar with QuickFil

          QuickFil is a powerful software for the design of passive filters. It enables the calculation of many filter types up to 50th order. And the best: It is freeware! Check out our new AppNote Passive Filter Design. This application note includes a step by step guide on how to design a filter in QuickFil and shows how the filter characteristics are measured using the
          Bode 100. 

          Characterize your power supply

          In combination with the new Picotest Signal Injectors the Bode 100 is a powerful tool to analyze power supplies. In two new application notes we demonstrate how important power supply parameters can be measured easily.

          Analyzing RFID-Tags with the Bode 100

          Company Data RFID Tags have become a part of our daily life. They provide access to buildings or allow us to use vending machines. To ensure that an RFID-Tag really functions it is important that it has the correct resonance frequency. By using the Bode 100 it is possible to perform a touch less measurement of this resonance frequency.
          Find out how by reading our newest AppNote. 

          Bode Analyzer Suite V2.31 enables new measurement features

          The new BAS supports non-invasive stability measurements of voltage regulators and switched mode power supplies. In combination with Picotest's current Injector J2111A the Bode 100 is now able to measure the output impedance of voltage regulators and switched mode power supplies. The newly implemented cursor calculations allow to derive the phase margin of a control loop directly from the measured…

          QuickFil is now Freeware

          The filter design software QuickFil is a program which was originally developed under DOS. It allows calculating passive electronic filters up to the 50th order in a quick and efficient way.
          With specially designed fast mathimatical algorithms and arithmetic routines in assembler language, QuickFil is still one of the the fastest passive filter design softwares on the market. This was also the…

          New App Note on DSL cable analysis published

          The quality of a data connection depends very often on the twisted pair cable used for the network installation. Together with AESA-Cotaillod a leading provider in telecommunication cable measurement systems we have developed this application note that shows how the characteristic of a DSL cable can be checked with the Bode 100.

          American Web Shop renewed - enjoy more flexibility and better handling

          Due to the renewal of the web shop for our customers from the US we can now provide a straight forward and easy handling shopping system. The new American Web Shop now also includes all OMICRON Lab articels and detailed product information.

          Service Release: Bode Analyzer Suite V2.23 launched

          With the beginning of the year 2010 we have officially released  a new version of the Bode Analyzer Suite. The version V2.23 is a service release and offers the following improvements in comparison to the so far available V2.21:

          • Improved Phase performance at low frequencies
          • Data/Memory function for impedance and admittance fixed
          • Enhanced CSV Export (more data exported) 

          You can download the…

          European Web Shop - a new shopping experience

          The European Web Shop was created in order to provide you with a fast, simple and comfortable way to choose and order the OMICRON Lab product you require for your measuring tasks.
          Customers from all European Union countries as well as Switzerland, Norway & Iceland can use this web shop at the moment.

          During the development of the European Web Shop we focused on the creation of a platform which…

          OMICRON Lab has released new software for Bode 100

          The new Bode Analyzer Suite V 2.01a provides many additional functions which significantly enhance and extend the area of application of the Bode 100 Vector Network Analyzer.

          The new and improved user interface allows a quicker and even more intuitive operation of Bode 100 than ever before.

          Here is a selection of the new features of the Bode Analyzer Suite V2.01:

          • OLE compatible automation…

          Wideband Injection Transformer B-WIT 100 launched

          One key application of the Bode 100 is the stability analysis of switched mode power supplies. For such an analysis it is necessary to inject the source signal of the Bode 100 into the control loop, usually into the feedback part of the loop. For this purpose an injection transformer is required. OMICRON Lab is now offering an own solution for this problem. The B-WIT 100 was especially developed…

          OMICRON Lab's new Bode Analyzer Suite V 2.21 released - Get automated!

          These days improving efficiency is a big issue in every aspect of our daily business - especially in production. Therefore automated measurements are continuously gaining importance. With the new Bode Analyzer Suite we focused on this important topic by implementing ALL functionalities of the Bode 100 for its OLE Automation Interface. Furthermore we added a very useful function to the frequency…

          OMICRON Lab has released the new Bode Analyzer Suite V 2.2 for Bode 100

          Based on the input of our constantly growing customer base we have developed a full set of new features and functionalities, which further extends the range of application of our versatile Bode 100 Vector Network Analyzer.

          Here is a selection of the new features of the Bode Analyzer Suite V2.2:

          • The extended measurement range 1Hz – 40MHz allows network analysis and impedance measurements within…

          OMICRON Lab has added several customer examples on how the Bode 100 is being used

          Audio Amplifier Test, Measuring Quartz Crystal Circuit and Measuring Quartz Crystal Circuit II.

          OMICRON Lab has added several funny RF Geek jokes, enjoy! :-)

          click here

          OMICRON Lab has added the Bode 100 user manual online to provide users with easy access on using the Bode 100

          A compact, multifunctional test set with a Vector Network Analyzer, Gain Phase Meter, Impedance Meter, and Sine Wave Generator in a single unit.

          OMICRON Lab is proud to announce the Bode 100

          A compact, multifunctional test set designed for the electronic laboratory.

          Bode 100 is the best value for a computer controlled Vector Network Analyzer, Gain Phase Meter, Impedance Meter and Sine Wave Generator in a single unit. The flexible hardware design combined with PC based software allows the Bode 100 to be used for audio, video, and RF applications in labs or production fields.

          Click year or month for filtering displayed news.

          Click here to reset your selection.

          All articles from 2012

          August 2012(1 entry)

          • New Bode Analyzer Suite V2.40 ready for download

          June 2012(2 entries)

          May 2012(1 entry)

          March 2012(2 entries)

          • Bode Analyzer Suite V2.33 includes Nyquist diagram
          All articles from 2007

          December 2007(1 entry)

          • OMICRON Lab has released the new Bode Analyzer Suite V 2.2 for Bode 100