Vector Network Analysis
Frequency Response Analysis
Material Analysis
Vector Network & Frequency Response Analysis
Educational Material
Picotest Products
ClampMan
Precision Timing
In this Video it is shown, how to use the optocoupler output (Output 3) of the PTP time converter TICRO 100. The optocoupler output is needed, when a…
The video shows how the Precision Time Protocol (PTP) according IEEE 1588-2008 can be converted into conventional time codes like IRIG-B, DCF77 and…
In this video it is shown how non-PTP capable protection relays can be integrated into IEEE 1588 time synchronization infrastructures using the PTP…
Precise time synchronization of protection relays, synchrophasors and other IEDs in the electric power industry is essential for assured power…
This application note explains how to analyze the control loop stability of DC/DC converters by measuring the loop gain.
In this document, we show how the dissipation factor and the conductivity of an insulation liquid can be measured using SPECTANO 100.
With the release of the IEC 61850-9-3 “Power Utility Profile” in the middle of 2015, the precision time protocol (PTP) defined in IEEE 1588-2008…
A huge number of electrical protection relays is installed worldwide. But the time synchronization of these devices can be improved a lot. By…
Machine vision-, high speed camera- and industrial automation applications require an accurate time synchronization.
The Budapest University of Technology and Economics (BME) uses the antenna-integrated PTP Grandmaster Clock OTMC 100i for several scientific research…
In this document, we show how to measure the dielectric properties of the insulator in a coaxially constructed cable using SPECTANO 100.
This application note discusses how to choose the correct impedance measurement method when measuring impedance using the Bode 100 and how to improve…
In this document, we show how to measure the dielectric response of different liquid insulation materials using SPECTANO 100 and the Liquid Test…
At the latest, when the reasons for power failures or black outs in which more than one power utility is involved must be analysed, the importance of…
A lot of IEDs (Intelligent Electronic Devices) installed around the world are not supporting modern time synchronization with IEEE 1588. TICRO 100 is…
In this video we explain why it is very important to measure insulation materials over a wide frequency range instead of just measuring tan delta at…
In this application note, we show how to measure the output impedance of DC/DC converters or voltage regulators and how to use this information to…
This video starts with a comparison between the Network Time Protocol (NTP) and the Precision Time Protocol (PTP) according to IEEE 1588-2008. Further…
In this application note, we show how the Bode 100 can be used to measure the input impedance of a DC/DC converter and why this is important for…
In this document we show how to measure the dielectric response of different solid insulation materials using SPECTANO 100 with the Dielectric Test…
Sometimes you have no access to the feedback loop of a voltage regulator. This application note shows how you can measure the stability in such cases…
This document describes general considerations which should be made if samples of solid dielectric materials are measured with SPECTANO 100.
The PSRR is an important quality indicator for power supplies. It can be easily measured with the Bode 100 and the Picotest J2120A Line Injector. This…
In this application note we inform you about general requirements to perform accurate dielectric material analysis.
This application note outlines the process of fitting the impedance of individual components in an LC low-pass filter, modeling the complete filter,…
Impedance can depend on the applied DC voltage. We show how the Bode 100 impedance measurement capabilities can be extended with the Picotest DC Bias…
In here, we show how the Bode 100 can be used to measure inductors over frequency with DC current bias applied.
The equivalent series resistance of a capacitor (ESR) is not always specified by the manufacturer. The Bode 100 with its impedance adapters offers an…
This application note explains how to measure the ESR of a DC-Link film capacitor using the Bode 100.
In this application note we measure the impedance of power factor correction (PFC) or DC Link capacitors using the Bode 100 vector network analyzer in…
This application note provides a detailed methodology for measuring the winding impedance of a three-phase motor. Additionally, it includes procedures…
The equivalent circuit parameters of a transformer can be derived by some simple measurements. This application note guides through the measurement…
In this application note we show how very low impedance values can be measured using the Bode 100.
It can be very important to measure the resonance frequency of a RFID tag without contacting the tag. This Application note shows how this measurement…
In this application note we explain how the equivalent circuit model of an inductor can be derived from its impedance spectrum.
Learn how the Bode 100 can be used to measure the frequency dependent characteristics of audio amplifiers and the impedance of loudspeakers as well as…
This application note shows how to use the Bode 100 to measure open loop gain as well as closed loop gain of operational amplifiers.
This application note describes how to derive a model for a resonant Wireless Power Transfer (WPT) coil link using the Bode 100 vector network…
This application note explains how to measure an optocoupler's CTR (current transfer ratio) over frequency using the Bode 100 and Picotest products.
In this application note we demonstrate how to measure the impedance of a photovoltaic module with the Bode 100.
In this application note, we show how the Bode 100 can be used to measure the high-frequency impedance of equipment designed to be powered by mains…
In this application notes, we show how the Bode 100 or the Bode 500 can be used to measure the impedance spectrum of batteries.
This application note describes how to measure the AC current gain hfe of a bipolar transistor using the Bode 100 vector network analyzer.
This Appnote explains how the Bode 100 can be used to measure cable parameters such as the cable's dielectric constant. Further on it is demonstrated…
Together with AESA-Cortaillod, a leading provider in telecommunication cable measurement systems we have developed this application note.
Very often it is useful to know the equivalent circuit of a certain component. This application note demonstrates a simple way to get the equivalent…
This application note shows how the reverse transfer characteristic of a linear voltage regulator is measured using the Bode 100 and additional…
This application note shows one possibility to extend the impedance measurement range of the Bode 100 with a high impedance bridge.
QuickFil is a powerful tool for the design of passive filters. This application note shows how to design and measure a bandpass filter using QuickFil…
Bode 100 is a powerful analyzer that can be easily automated via the Automation Interface. When using multiple devices, special considerations need to…
Sometimes a network connection (Ethernet) offers an advantage over a direct USB connection. This is possible using a USB device server.
The Bode 100 offers many useful functions to analyze radio transmission links. This application note shows impedance matching and attenuation…
RFI (radio frequency interference) respectively EMI (electromagnetic interference) behavior is very important in nowadays electronic devices. We show…
The Circuit Fit feature of Bode Analyzer Suite allows to generate simple or advanced models fitting measured impedance data.
This Appnote explains how Bode 100 can be used to measure important transformer parameters like the coupling factor, resonance frequency and transfer…
The Bode Analyzer Suite offers several useful functions to perform e.g. impedance and reflection measurements on antennas.
Voltage regulator crosstalk can cause serious problems in power supply systems. We show how to measure crosstalk easily.
Winding failures in planar printed circuit transformers are sometimes hard to detect. We show how the Bode 100 can be used to detect failures in…
In this document, Vinod Chellat Markose explains an indirect method for measuring the drop in inductance of a CMC at any current using a Bode 100…
This application note describes an inexpensive method for characterizing the drop in inductance of an inductor at any desired DC bias current using…
In this document, Jan Petrik derives a Spice model for Op-Amp stability based on real-live bench measurements.
In this paper, Mauricio Esguerra, Ibrahim Ellithy and Rewanth Radhakrishnan investigate the effect of hydrostatic stress on magnetic properties of…
This document deals with the impedance matching of a 13.56MHz RFID antenna that includes a ferrite shield.
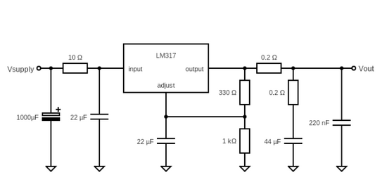
In this article, Martin Warnke describes in detail how elderly voltage regulators like the LM317 can be stabilized when using modern low-ESR ceramic…
In this thesis the effect of DC voltage bias on the equivalent series resistance (ESR) and further on the losses of capacitors is investigated.…
In this guide Dr. Tomasz Zawada from TOOsonix explains the most important parameters of piezoceramic components and how to measure them using the Bode…
This article by Steven M. Sandler describes how the ESR of the output capacitor, required to achieve a desired phase margin can be determined by one…
This Article by Steven M. Sandler and Danny Chow from AEi Systems describes how the Bode 100 is used to extract the parameters of a flyback…
In their article Steven M. Sandler and Danny Chow from AEi Systems intend to dispel three common myths regarding transformers, and more generally,…
This bachelor thesis focuses on the contactless resonance frequency and q-factor measurement of inductively coupled RFID transponders.
Lukas Heinzle, Student at the Swiss Federal Institute of Technology uses the Bode 100 to measure the mutual coupling between two cylindrical coils.
This article by Dr. Michael Hallworth and Dr. Ali Shirsavar investigates a microcontroller-based peak current mode control of a Buck converter.
This collection of articles shows how the high-frequency behavior of electrical machines can be used to assess and monitor the insulation condition of…
This article by Dr. Ali Shirsavar investigates the implementation of peak current mode control with slope compensation using a single Piccolo A from…
This document deals with the theory of Eddy Current testing and shows that the Bode 100 can be used to measure the impedance of probe coils.
This document contains the theory of Skin effects and shows how to use the Bode 100 to measure the effective resistance of a wire.
A customer repaired his 30 years old Revox A78 audio Amplifier and documented the performance of the device using the Bode 100 Vector Network Analyzer
Gerhard Kaineder and Erwin Schimbäck from the LCM show how to measure the equivalent circuit parameters of a printed circuit coil for RFID…
The Bode 100 is used at the Regensburg University of Applied Sciences to perform several measurements at the system concepts lab
The Master thesis of Florian Hämmerle focuses on a planar coil manufactured using a microtechnology based process.
In this document, Christoph Büsel, a teacher at a technical college in Austria is sharing the preparation for a lesson on Quartz Crystal Equivalent…
In this article Aris Kuball and Günther Klenner explain how to design a high-pass filter that is used to measure conducted emissions.
This Article from Tobias Hofer explains the design of an EMC filter for a switched mode power supply.
OMICRON Lab was recently allowed to support a very interesting project on a new data interface concept for computer
Bode 100 is the perfect instrument to measure the control loop stability of power supplies. Check out this video to learn more.
Electronic devices become smaller with increasing efficiency demands. The power density as well as the switching frequency tend to increase, adding…
The output impedance of a voltage source is an important design parameter that provides information about the stability and damping of the control…
In this webinar, we review the input filter stability problem that is caused by the negative dynamic input resistance of the converter. We present…
The Impedance of real-life components is often non-linear, depending on the applied DC bias voltage or current. In this webinar, we show techniques on…
The Bode 100 offers seven different impedance measurement methods. In this webinar, we explain the differences of these methods and how to choose the…
BAS 3 comes with many new features. Check out this video to learn more about them.
Learn how the ESR of a capacitor behaves over frequency. In this videos we use Bode 100 and B-WIC to measure the ESR of an aluminum and a film…
Learn how to use the Bode 100 to contactless measure the resonance frequency and Q-factor of an RFID transponder.
With the Bode 100 you can measure S-Parameters as well as the Voltage Transfer Function of a DUT. Check out this video to learn more.
In this series of videos, Dr. Ali Shirsavar from Biricha shows how to design EMC filters.
Measuring the plant of a digitally controlled converter is not as straightforward as in the analog case. The solution however is quite simple. Set the…